
Skensystem byggda med spotlights-skenor blir mer och mer vanliga. Riktbara spotlights ger ett snyggt ljus och passar i de flesta rum i ert hem. Fördelarna med att montera spotlights i belysningsskenor är:
- Skenorna är enkla att montera utanpåliggande i taket
- Man kan flytta runt spotlights längs skenorna
- Man behöver bara en anslutning
- De stödjer dimring
Planera placering av belysningsskenor
Tänk efter vilka ytor du vill belysa. Planera så att du kan rikta spotlights från skenorna så du får ljus på dessa ytor.
Om ni vill rikta ljuset mot en vägg, placera skenorna cirka 1m-1,5m ut från väggen.
Önskar ni flera linjer med skenor, placera dem med 2m-3m mellanrum. Då kan ni rikta spotlights mot ytorna mellan skenorna.
Inkoppling av skenorna
Ett sammankopplat skensystem behöver bara 1 anslutning till 230V. Man kan gå in med 230v-kabel på fler ställen:
- i en anslutning i änden
- i en L-koppling
- i en mitt-anslutning
Planera skensystemet utifrån vart du vill ha ljuset och vart du kan koppla in ström. Designa sedan ditt system. Vanligaste formerna är: Raka linjer, ett L-system, ett U system eller en fyrkant. När vi planerar och kommunicerar runt skensystem är skisser alltid sedda underifrån.

Skiss på ingående delar i några standard skensystem
Tänk på att det måste vara en behörig elektriker som kopplar in skenorna till 230V.
Hjälp med skensystem
Önskar ni hjälp med vilka delar ni behöver för ett komplett skensystem, kontakta oss genom att fylla i formuläret nedan. Tillbaka av oss kommer ni få en delad varukorg med de delar ni behöver för ert system.
Vanliga frågor runt spotlights-skenor
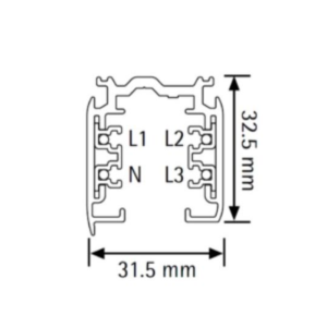
Fungerar 3-fas skenor hemma?
3-fas innebär att skenan har 3 olika ledningar. Man väljer själv hur många ledningar man kopplar in. Vanligast i privata hem är att bara använda en ledning och då hanteras skenan som en helt vanliga lampa. Dvs de fungerar bra i ert hem och ni behöver inga speciella ledningar.
Använda flera faser
Om ni vill kan ni koppla in två ledningar på skenan till två olika strömbrytare på väggen. Sen kan ni koppla in spotlights på ledning 1 och en pendellampa på ledning 2 och tända, släcka och dimra dessa separat.
Anpassa längderna på skenor
Skenorna går att kapa med vanlig bågfil till önskad längd. Flera bitar går att koppla ihop med sammankopplingar till lång längder. Vi rekommenderar att jobba med max 2m bitar för att hålla nere fraktkostnaden. 3m, och 4m skenor är problematiskt att frakta.
Montering av skenor i taket
Skenorna kommer med förborrade hål och man kan också borra egna hål i botten på skenan. (Strömledningarna går i sidan på skenorna. Det är ingen fara att borra i botten av skenan). Vill man inte skruva rakt igenom skenan finns det takfästen eller nedpendlingskit som kan användas.


















